详细说明:
种类丰富的测试附件,高刚度、高精度的多样化加载测试系统,可针对样件同步施加轴向-扭转载荷、位移和应变,实现各种材料的单轴或双轴,静态和疲劳等力学性能测试。
MTS809电液伺服轴扭复合疲劳测试系统,简称809拉扭系统,该系统是MTS 众多材料测试设备系列中重要的一员,已有数十年的历史,在业界享有良好的口碑,拥有广泛的用户。
809系统同时配备了轴向作动缸和扭向作动缸,并精确耦合在同一作动杆上,可实现单轴向、单扭向以及轴扭复合测试,是测试金属、非金属、复合材料等各种零部件的理想解决方案。
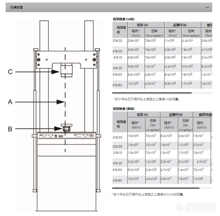
809系统配备高刚性,符合人体工程学且便于维护的MTS传统的319载荷框架,体现着MTS测试系统久负盛名的高性能和高度灵活性,匹配MTS新技术的FlexTest控制系统内和515静音油源,为全球材料测试提供可靠的电液伺服技术。








